г. Екатеринбург,
Волгоградская улица, 193




г. Екатеринбург,
Волгоградская улица, 193
Приводы Belimo для противопожарных заслонок

Компания Lufter предлагает приобрести по низким ценам со склада в Екатеринбурге электроприводы Belimo (Белимо) BLE230 для противопожарных, огнезадерживающих клапанов и систем дымоудаления. Мы поставляем только оригинальные приводы производства Belimo (Белимо) BLE230 Швейцария, что подтверждается всеми необходимыми сертификатами и нормами. Благодаря развитой логистике и прямому импорту мы можем предоставить самые низкие цены на приводы Belimo (Белимо) BLE230 и кратчайшие сроки поставки. Доставка осуществляется любой транспортной или курьерской компанией на Ваш выбор по всей России.
Обращайтесь в компанию LUFTER за электроприводами производства BELIMO BLE230 и вы не пожалеете. Отправьте заявку на почту info@lufter-ekb.ru или позвоните нам по телефону +7 (343) 345-13-01.
| Модель привода | Крутящий момент | Угол поворота | Время поворота | Напряжение, В | Степень защиты | Управление | Температура окружающей среды | Тип привода | Вес, кг | Вспомогательные переключатели | Передающее звено | Производитель | Страна происхождения | Цена, РУБ |
|---|---|---|---|---|---|---|---|---|---|---|---|---|---|---|
| - | - | - | - | - | - | - | - | - | - | - | - | - | - | - |
| Привод BLE230 | 15 Нм | Макс. 105° | 60 сек. | 230 В ~ 50/60 Гц | IP54 | Откр/Закр | -30…+50°C | реверсивный | 1,6 | 2 встроеных | 12 х 12 мм | Belimo | Швейцария | по запросу |
| - | - | - | - | - | - | - | - | - | - | - | - | - | - | - |


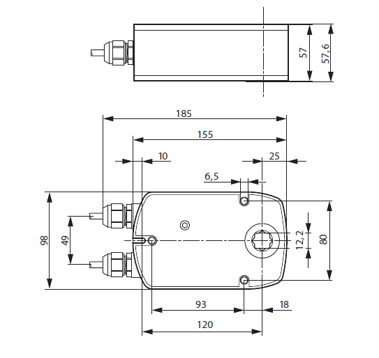
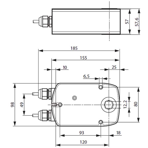
Электропривод BLE230 предназначен для управления нормально закрытыми противопожарными, огнезадерживающими и дымовыми клапанами, а также клапанами дымоудаления. Привода BLE230 работает от напряжении сети: 220 В. Крутящий момент или усилие электропривода Belimo BLE составляет 15 Нм, что позволяет ему регулировать заслонку до 1,2 кв.м.
Электропривод BLE230 имеет защиту от перегрузок и может находиться под напряжением в конечных положениях очень долгое время. Для сигнализации конечных положений привод BLE оснащен встроенными микропереключателями. Для облегчения регулировки в электроприводах BLE 230 предусмотрен ручной режим регулирования.

Купить, узнать стоимость, срок поставки или наличие на складе электроприводов Belimo (Белимо) BLE230 Вы можете позвонив нам по телефону 8(343)345-13-01 или отправив заявку на электронную почту info@lufter-ekb.ru.
Все модели электроприводов Belimo для противопожарных клапанов: BE230, BE24, BF230, BF24, BFL230, BFL24, BFN230, BFN24, BLE230, BLE24, BLF230, BLF24.