г. Екатеринбург,
Волгоградская улица, 193




г. Екатеринбург,
Волгоградская улица, 193
Приточные и вытяжные металлические диффузоры

Вытяжной диффузор DVS 125 – это эффективное и надежное решение для организации вентиляции в жилых, офисных и коммерческих помещениях. ООО "Люфтер" предлагает купить диффузоры DVS 125 в Екатеринбурге по выгодной цене.
Диффузор DVS 125 предназначен для распределения воздушного потока в системах приточно-вытяжной вентиляции. Он обеспечивает равномерное поступление или удаление воздуха, создавая комфортный микроклимат в помещении. Конструкция диффузора позволяет регулировать направление воздушного потока, что особенно важно для поддержания оптимальной температуры и влажности.

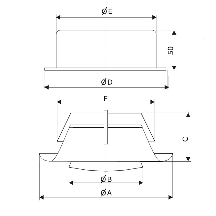
| Модель диффузора | A, мм | B, мм | C, мм | D, мм | E, мм | F, мм |
| Вытяжной диффузор DVS ? 125 | 164 | 99 | 46 | 150 | 124 | 122.5 |
Диффузор DVS 125 идеально подходит для использования в:


Заказать диффузор DVS 125 в Екатеринбурге очень просто:
ООО "Люфтер" – ваш надежный партнер в области вентиляции! Мы предлагаем только качественное оборудование и профессиональный сервис. Купите диффузор DVS 125 у нас и обеспечьте комфортный микроклимат в вашем помещении!
Дополнительные ключевые слова: вытяжная вентиляция, вентиляционные решетки, воздухораспределители, вентиляция Екатеринбург, системы вентиляции.